傳統的景區入口處,都是配備幾名人工檢票人員,不僅工作效率低下也加大了管理的難度。
現在疫情期間為了防控疫情景區都要加大防控力度,易景通的人臉識別一體機,游客走到人臉識別設備跟前,機器會提示“驗證通過”,從而順利進入景區,無需門票及其它憑證,方便游客快速檢票入園,避免景區入口通道擁堵,大大提高入園效率。
越來越多的景區采用智能化的管理方式,對于提高各旅游景區的現代化管理水平不斷地提升景區的經濟效益。
因為計算機技術的快速發展和在各領域的廣泛應用,現在人臉識別技術也在景區得到了廣泛應用,游客可以在景區自助購票,通過人臉識別技術驗證身份與身份證信息比對,確認實名制。
景區人臉識別系統非常快速的完成購票,在高峰期減少景區的人員消耗提升景區的售票效率提升游戲的游玩體驗。
人臉識別系統可實時統計游客入園數量,進行客流量分析,調整運營策略,可以消除了財務漏洞,確保了景區管的經濟收益,相比傳統售票入園方式,無紙化入園,節約紙張資源。
景區人臉識別系統還有一個優點,人臉識別實名制購票可避免黃牛黨高價賣票、賣假票的現象。
景區面部識別系統有序的入園間接的消除景區的不良體驗有利于景區品牌的建立和口碑的傳播。

易景通景區人臉識別系統搭配景區人臉識別設備----景區人臉識別一體機的優勢:
1、識別時間短,識別時間在0.1-1秒,不會造成人員擁堵,有序快速入園,提升游客的游玩體驗
2、識別距離長,識別距離最遠長至50cm,在疫情期間有效的隔離,有利于疫情的防控工作。
3、智能識別,能在各種逆光情況下快速識別。
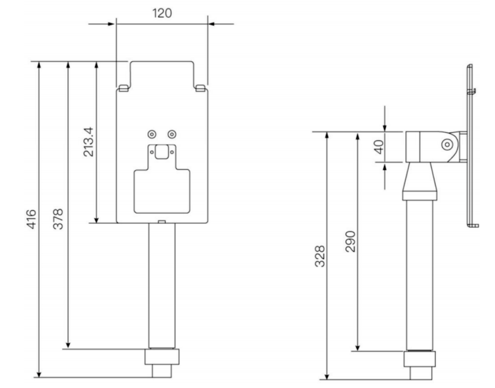
易景通景區人臉識別一體機尺寸圖:


易景通景區人臉識別一體機產品參數:










 
         
         
        